微(wēi)型流量計,小(xiǎo)流量計,微型(xing)液體流量計(ji),小流量計價(jia)格,進口微♉小(xiǎo)流量計,廣東(dōng)微型流量計(ji),廣州微小流(liu)量計,咖啡機(ji)微型流量計(ji),飲水機微型(xing)流量計,紅酒(jiu)微型流量計(jì)
DIGMESA公司 介紹:
DIGMESA公司位于瑞(ruì)士的 IPSACH易(yi)普莎赫市,成(cheng)立于 1983年(nián)。是一個家族(zu)企業,該公司(si)現有員工約(yue) 60-70名。主要(yao)是生産 微小流量計(ji) 。該公司(si)生産的微小(xiǎo)流量計可以(yi)到點滴。該公(gōng)司産品在🚩歐(ou)美🛀市場所占(zhan)份額高達 90以上。

DIGMESA
DIGMESA-FF FF系列産品(pǐn) 典型應(ying)用:水,酒* 料,非酒*料,啤(pi)酒 , 技術特性(xìng): 管道連(lian)接:多種連接(jie)方式供選擇(zé) 通徑 :4.0mm,5.0mm,6.0mm 流量: 0.34-11.5l/min, 0.22-75l/min,1.46-16.2l/min等多種範圍(wéi)供選擇(随型(xíng)号和通徑而(ér)不同) 壓(ya)力: 20時 5.5Bar 溫度(du)範圍: -10℃ -65℃ ; 測量(liàng)精度:小于 2%,重複測量(liang):< +/-0.25% 供電電(diàn)壓: 4.5-24VDC,12-01VDC () 适用流體(tǐ): 水,酒*料(liào),非酒*料,啤酒(jiǔ),紅酒,化學物(wù)
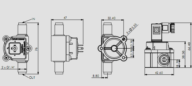
DIGMESA -FH FH系列産(chan)品 典型(xing)應用:用于咖(ka)啡機, 及(ji)部分工業領(lǐng)域 技術(shu)特性: 管(guǎn)道連接: G1/4 通徑 : 0.7mm至(zhi) 6.5mm0.7mm至 6.5mm 流量: 0.03l/min-12l/min 壓(yā)力: 20℃ 時 20Bar 溫度(dù)範圍: -10-100℃ , 2%,重複(fú)測量:< +/-0.25% 驅(qu)動電壓: 4.5-24VDC 主要适用流(liu)體: 水 此系列流(liú)量計主要材(cai)質爲綠銅或(huò)鍍鎳銅(無毒(du)),在高溫🐅高壓(yā)狀态下仍能(néng)确保超高精(jīng)度的流量計(ji)量,用途,典型(xíng)應用:咖啡機(jī),同時适用于(yú)工業領域,如(rú)石油,化學等(deng)需要流量調(diào)節/測量的領(lǐng)域。适用流體(tǐ):水
FHK FHK 技術特性: 管道連接(jie):多種連接方(fang)式供選擇 通徑 :1.0mm至 5.6mm 流量(liàng): FHK 0.04l/min-10l/min 壓力: 20℃ 時 20Bar 溫度範圍(wei): -10℃ -100 測量(liàng)精度:小于 2%,重複測量(liàng):< +/-0.25% 驅動電(diàn)壓: 4.5-24VDC 主要(yao)适用流體:水(shuǐ),非酒*料, 酒*料,紅酒,化(huà)學物質
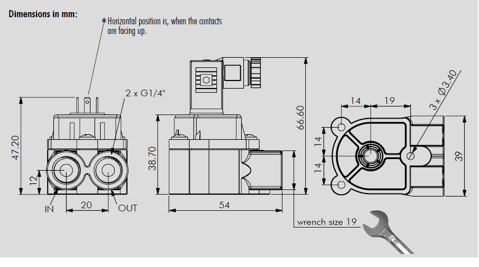
DIGMESA- FHKU FHKU 典型應用(yòng):酒*料,紅酒及(ji)其他化學物(wu)質 技術(shu)特性 : 管道連接(jie):多種連接方(fang)式供選擇 :1.0mm10.0mm 30L/min. 壓(yā)力: 20℃ 時 20Bar 溫度(du)範圍: -10℃ -100℃ , 測量精度:小(xiǎo)于 2%+/-0.25% 驅(qu)動電壓: 4.5-24VDC 主要适用流(liú)體:水,非酒*料(liào), 酒*料,紅(hong)酒及其他化(hua)學物質 與 FH系列(liè)相比 ,FHKU,其zui大流(liu)量可達 30L/min,且有多種流(liu)量範圍供選(xuǎn)擇,同時,基于(yu) DIGMESA的注塑(sù)技術,流量計(ji)的上/下半部(bù)分可選用不(bu)同的材質,更(geng)好的滿足了(le)用戶的不同(tóng)設計需求。
DIGMESA-FHKSC系 列小(xiǎo)流量計 FHKSC 典型應用(yòng):水、咖啡、紅酒(jiǔ)、烈性酒及有(yǒu)輕微腐蝕性(xing)的液❓體。 技術特性: 管道連接(jiē): 6mm軟管連(lian)接 (進口(kou)與出口可以(yǐ)旋轉爲四個(gè)不同方向,便(biàn)于安裝 ) 通徑 :1.2mm, 1.8mm 流量: 0.075-0.89L/min 壓力: 20時 -1Bar—0.3Bar 溫(wēn)度範圍: -10-65℃ 測(cè)量精度:小于(yu) 2% 重複測(cè)量:< +/-0.25% 4.5-24VDC 主(zhǔ)要适用于:水(shuǐ),咖啡,紅酒,烈(lie)性酒及有輕(qing)微腐蝕性的(de)液體⛷️
流速測(ce)量範圍: 0.04-2升 /分
壓力範圍(wéi): -1/0.3bar
測量(liang)精度: +/-2%
重複精度(du): +/-0.25%
DIGMESA-FM FM系列産(chan)品 典型(xing)應用:可用于(yú)測量、調節、分(fèn)配低粘度液(yè)體,包括工業(yè)、化💘學、洗👨❤️👨衣機(jī)、洗碟機等 技術特性(xìng): 流速測(cè)量範圍: 0.12-01升 /分,和(he)噴嘴的尺寸(cun)有關 ArniteRyton:zui大 20.0Pa Hostalen:zui大 6.0Pa 溫(wen)度範圍: ArniteHostalen: -10+65攝氏度(du) Ryton: -10~ +100攝氏度 測量精度(dù): ±2% 重複精(jing)度: ±0.25% 管道(dào)連接: G 1/4外(wai)螺紋,或塑料(liao)管嘴 9.0毫(hao)米外徑 材料:殼體 PBT(聚苯并噻(sai)唑 )35(Arnite),或 PPS(癸二酸聚(ju)丙烯酯 )40 GF(Ryton),或 PP() 軸承(cheng) INOX 18/8(1.4305)不鏽鋼(gang),或聚偏氟乙(yǐ)烯 SrFeO陶瓷,超(chao)聲焊接
DIGMESA-EPI EPI系列流量 計是專門(mén)設計用于高(gao)黏度液體,如(ru)糖漿、原油或(huò)濃縮的液♍體(tǐ)洗滌劑的測(cè)量。名稱: EPI系列産品 技術特性(xìng): 流速 0.06-l6 l/min 測量精度(dù) ±2% 重複性(xìng)< ±0.25% 溫度範(fàn)圍 :-10℃ 到 +65℃ ; 14℉ 到(dào) 149℉ 壓(yā)力範圍 :在 20℃ 時 ,10BAR 在 68℉ 時 ,145 PSI 适用(yòng)範圍:化學品(pin),原油,光刻膠(jiāo),液體洗滌劑(jì),番茄醬,沙拉(la)醬⁉️,蜂蜜🌈、糖漿(jiang)等。
下一篇(pian):影響氣體渦(wo)輪流量計精(jīng)度的因素
